1、打開電源之后,CT-BOX上面的所有指示燈以及面板都不亮,機器有蜂鳴聲;
2.1 分析故障產生原因
到達醫院后,首先和醫院相關人員溝通,了解機器情況,然后進行開機觀察現象,開機之后發現CT-BOX上的所有指示燈不亮,面板也不顯示,機架部分伴有蜂鳴聲,掃描軟件進去之后鑰匙框不出現,所有的CPM版本信息找不到,SDB上只亮著12V、24V兩個燈(如圖1所示),機器有蜂鳴聲以及CPM版本信息沒有是CAN回路出現故障,可能是CAN卡、SDB板、GHOST傳輸有故障,CT-BOX不亮而SDB有12V電說明是CT-BOX本身出現故障。

SDB狀態指示燈顯示
2.2 維修過程
A>.更換CT-BOX,更換完通電后CT-BOX指示燈以及面板正常點亮,但是蜂鳴聲依舊在,也不出鑰匙框;
B>.檢查CAN卡,重新插拔以及處理CAN卡金手指,故障依舊存在;
C>.檢查SDB,由于當時手頭沒有SDB板,只能插拔所有連接線,插拔后無效果;
D>.檢查GHOST,發現其上的一個12V控制保險(250MA)燒斷,先將其短接,開機后蜂鳴聲消失,鑰匙框正常出現,機器上電正常,掃描正常;

HSS亮紅燈狀態
3、維修結果:機器正常運行。
4 、技術經驗:如果不出鑰匙框,首先檢查CPM版本是不是缺失,如果是其中某一個配件沒有CPM版本信息,則檢查相應的板子;如果所有的CPM版本信息沒有則是CAN總線出了故障,檢查CAN總線。
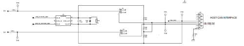
如下圖所示,首先CAN信號通過HOST主機內的CAN卡,通過SDB轉接連到GHOST,GHOST將CAN通訊信號發送給各個板子,各個板子再將信息反饋到GHOST上,由GHOST匯總反饋到HOST主機;


SDB板上的24V以及5V是由GHOST上的24V和12V提供,GHOST上12V到SDB板上之后,經過轉換變成5V支持SDB上CAN通訊的正常運行,如果沒有5V,則CAN通訊模塊無法正常傳輸以及反饋。



SDB正常的狀態應該是機器通電之后,四個LED燈亮,如下圖所示:

以上是陜西秦宏大醫療器械有限公司小編整理的Philips Brilliance 64-slice CT-BOX 故障維修案例分享,如有轉載請注明出處。

